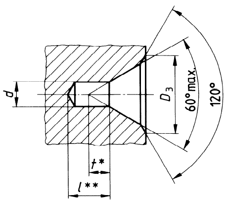
ISO 6411 Centre Hole Calculator – Type B
For shaft end centre holes as per ISO 6411:1982
Shaft Diameter (mm)
Valid range: 4 – 160+ mm (recommended d from table).
Calculate Centre Hole
Recommended Centre Hole (Type B)
Shaft dia
d (nom)
D₃
t
l
Choose l ≥ t to suit tool and setup.
ISO 6411 type B centre hole: d, D₃, t and l.